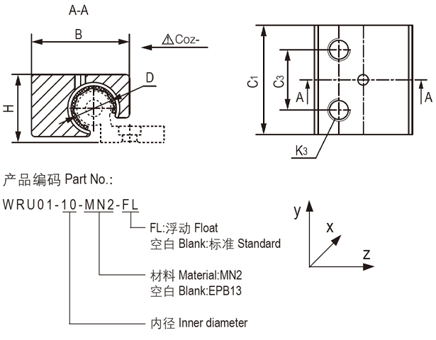
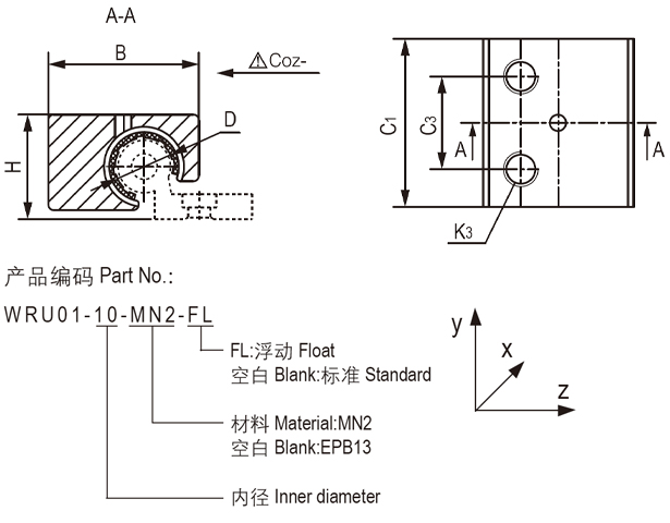
● 适用铝轴滑动膜MN2
● 自润滑、免维护
● 重量轻、快速装配
● 可用于WR系列单轨和双轨
● 抵抗灰尘
● 无噪音运行
产品编码 | 静态载荷 [N] | 重量 | ||
Coy- | Coz+ | Coz- | [g] | |
WRU01-06-MN2 | 210 | 210 | 50 | 7 |
WRU01-10-MN2 | 1200 | 1200 | 250 | 20 |
WRU01-10-MN2-FL | 1200 | 1200 | 250 | 20 |
WRU01-16-MN2 | 2100 | 2100 | 400 | 48 |
WRU01-16-MN2-FL | 2100 | 2100 | 400 | 48 |
WRU01-20-MN2 | 3200 | 3200 | 500 | 99 |
WRU01-20-MN2-FL | 3200 | 3200 | 500 | 99 |
●最大比例为2:1
●1x =同轨滑块距离
●2x =从导轨到负载或驱动力的距离

●小心:超过2:1比例时会发生爬行甚至卡死的现象!
这个原则与负载无关!这不是由于边缘加载。它也不依赖于使用的驱动力!驱动力与直线滑块的距离越远,所需驱动力越大,磨损也越大。
可能还有其他因素会增加制动效果,但摩擦系数是主要原因。
●注意:2:1法则是基于理论静摩擦系数0.25,然而,额外的润滑有助于降低摩擦并延长2:1的比例。
▊CSB-LIN®塑料直线查询系统V1.0©是包含了LIN塑料直线以及LINP精密直线,系统基于CSB®实验室测试数据以及材料相结合分析计算,您可以先选择需要的类型,通过输入载荷、速度、数量以及相关位置信息等参数进行模拟计算,系统会根据输入参数校核直线类型符合性,输出负载安全性、负载与驱动力位置合理性、运行速度以及系统所需最小驱动力等数据。
▊由于系统基于理论数据模拟计算分析可能存在无法完全符合输入参数,数据校核具有一定的局限性;安装校核2:1法则与最小驱动力校核数据中摩擦系数采用0.25计算。CSB®建议在设备上需再次做测试验证以符合实际使用要求。
▊CSB-LIN®塑料直线查询系统输出结果仅供设计选型参考,不可作为最终符合性判定依据;如有疑问请与CSB®销售工程师联系。