● 标准耐磨材料EPB13制成;
● 极小重量和无噪音运行;
● 自润滑、免维护;
● 配合导轨NR01-27和NR01-40;
● 最大载荷为500N和700N;


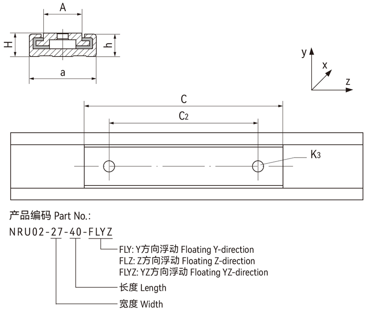
产品编码 | NRU01-17 | NRU01-27 | NRU02-27 | NRU03-27 | NRU02-40 | NRU03-40 |
[mm] | [mm] | [mm] | [mm] | [mm] | [mm] | |
FY | 0.6 | 0.45 | 0.45 | 0.45 | 0.4 | 0.4 |
FZ | 0.5 | 0.8 | 0.8 | 0.8 | 0.8 | 0.8 |
FYZ | Y=0.6 | Y=0.3 | Y=0.3 | Y=0.3 | Y=0.4 | Y=0.4 |
| Z=0.5 | Z=0.4 | Z=0.4 | Z=0.4 | Z=0.8 | Z=0.8 |