CSB塑料产品
banner
banner
banner
CSB塑料产品05
CSB塑料产品04
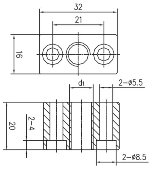
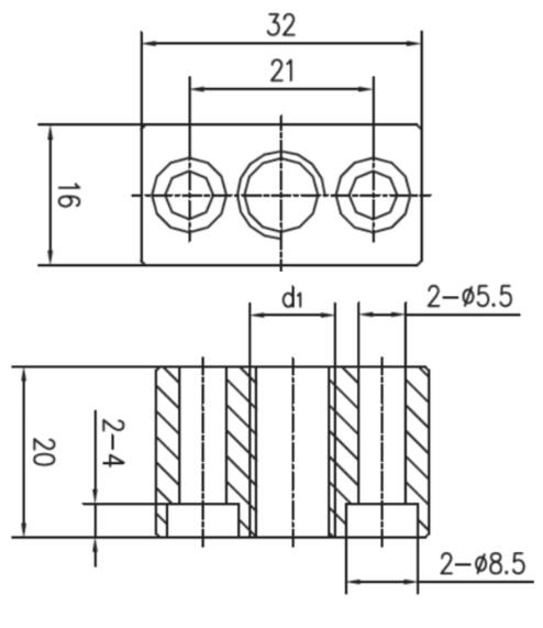
LMS01直线模组丝杆螺母

产品特性

● 为LMS直线运动系统而特殊设计的丝杆螺母;
● 自润滑、低磨损;
● 极低的摩擦系数;
● 耐腐蚀,可用于液体介质环境;
● 抵抗灰尘和无噪音运行;
● 节约安装空间,易装配;
● 可选材料:EPB13, MN73, EPB5A;


LMS01直线模组丝杆螺母
结构图片
DURAPLAS®自润滑塑料板棒
DURAPLAS®自润滑塑料板棒

DURAPLAS®自润滑工程塑料耐磨板棒为客户非标尺寸的少量快速制作提供了可能,节省模具费并实现快速交付...

更多

直线平台模组螺母

文件类型 PDF文件
文件大小 298KB
出版时间 03-2020
出版序号 CSB/CAT.052
立即下载

1550 次

400-6633-096

新品资讯

客户服务

快速定制服务

CSB®更多产品
TLS梯形螺纹丝杆
TLS梯形螺纹丝杆

● 左旋和右旋螺纹可选;
● 可选材料:C45钢和不锈钢;
● 可以根据客户图纸加工;

更多
HLS高螺旋线丝杆
HLS高螺旋线丝杆

● 左旋和右旋螺纹可选;
● 可选材料:304不锈钢;
● 可以根据客户图纸加工;

更多
SNR圆柱螺母
SNR圆柱螺母

● 自润滑、低磨损;
● 高效率传动;
● 极低的摩擦系数;

更多
SNRF圆柱法兰螺母
SNRF圆柱法兰螺母

● 自润滑、低磨损;
● 高效率传动;
● 螺丝固定易安装;

更多
SNSF方法兰螺母
SNSF方法兰螺母

● 自润滑、低磨损;
● 高效率传动;
● 螺丝固定易安装;

更多
SNF扁螺母
SNF扁螺母

● 自润滑、低磨损;
● 极低的摩擦系数;
● 耐腐蚀,可用于液体介质环境;

更多
SNFF扁法兰螺母
SNFF扁法兰螺母

● 自润滑、低磨损;
● 节约空间,螺丝固定易装配;
● 极低的摩擦系数;

更多
LMS02直线模组丝杆螺母
LMS02直线模组丝杆螺母

● 为LMS直线运动系统而特殊设计的丝杆螺母;
● 自润滑、低磨损;
● 极低的摩擦系数;

更多